Артикул: 100590554

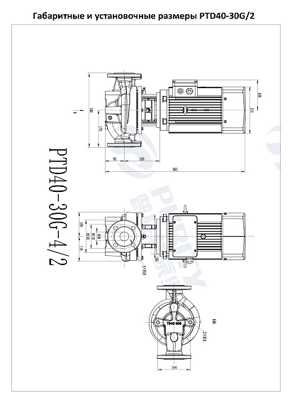
Насос в линию PURITY PTD 40-30G/2 (N)
Артикул: 100590554
5 1 Насос в линию PURITY PTD 40-30G/2 (N)

Насос в линию PURITY PTD 40-30G/2 (N)

Насосная часть имеет защитное электрофорезное покрытие

61 376 ₽
-
+
Распечатать
PURITY

Родина бренда: Китай

Страна производства: Китай

  • Описание
  • Характеристики
  • Вопросы
  • Документация (3)

Циркуляционный насос In-Line PURITY PTD40-30G/2 (N) предназначен для перекачивания чистых невзрывоопасных жидкостей, без механических и волокнистых включений, не агрессивных к конструкционным материалам насоса, по своим физическим и химическим свойствам близким к воде.

Модель
Насос в линию PURITY PTD 40-30G/2 (N)
Напряжение, В
400
Количество ступеней
1
Мощность, кВт
4
Гарантия, мес
36
Тип установки
Диаметр вход/выход мм
Температура рабочей жидкости в стандартном исполнении
от -15 °C до +110 °C
Материал корпуса
Серый чугун НТ200
MAX давление, бар
16
Класс защиты
IP 55
Серия
PTD
Соединение
Частота, Hz
50
Тип насоса
Одноступенчатый насос в линию из чугуна
Материал рабочего колеса
Серый чугун НТ200
Материал ротора
Нержавеющая сталь 304
Предназначен для частотного регулирования
Да
Комплект ответных фланцев
Не входит в комплект
Тип ротора
Напор, м
30
Подача, м3/ч
25
Серия оборудования
PTD
Страна производства
Р
Рутектор

Москва

Уважаемые клиенты! Мы являемся официальными дистрибьюторами продукции PURITY на территории России. Вы можете задать вопрос специалисту или оставить отзыв о товаре. Нам важно знать ваше мнение.

Показано 1 из 1 результатов

Сравнение товаров